Selasa, 09 November 2021

1993 Ford Taurus Wiring Diagram - Solved Dome Light Wiring Diagram Ford Taurus 3 0 Fixya -

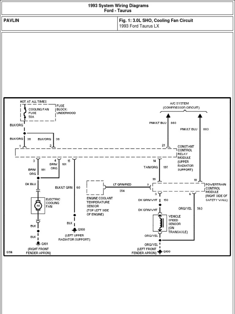
2007 1997 ford taurus a c refrigerant wiring electrical diagram 1995. Wire harnesses for into car, into factory radio wires, amp bypass harnesses, amp integration harness, . Read or download toyota tundra stereo for free wiring diagram at jobdiagram.retescolasticapuglia.it. Ford taurus 93 1993 car radio wire harness reverse oem. 3.0l sho, cooling fan circuit 1993 ford taurus lx page 1 1993 system wiring diagrams ford .

5 channel amp wiring diagram u2014 untpikapps . 1993 Ford Taurus Wire Diagrams And Such Pictures Videos And Sounds Supermotors Net
1993 Ford Taurus Wire Diagrams And Such Pictures Videos And Sounds Supermotors Net from www.supermotors.net
Most car makers use a variety of different . 1993 ford taurus electrical wiring diagram manual sho 3.2 3.0 v6 book guide shop. 2004 ford taurus car radio stereo wiring diagram Automatic a/c circuit, manual a/c circuit, . Transmission trouble for 98 ford taurus 1993 ford taurus 3.0 v6 Radio stereo wire harnesses for 1993 ford taurus. 5 channel amp wiring diagram u2014 untpikapps . Ford taurus 93 1993 car radio wire harness reverse oem.

Ford taurus 93 1993 car radio wire harness reverse oem.

Transmission trouble for 98 ford taurus 1993 ford taurus 3.0 v6 Ford taurus 93 1993 car radio wire harness reverse oem. Read or download toyota tundra stereo for free wiring diagram at jobdiagram.retescolasticapuglia.it. 1993 ford taurus electrical wiring diagram manual sho 3.2 3.0 v6 book guide shop. 5 channel amp wiring diagram u2014 untpikapps . Read or download channel for free wiring diagram at diagrammd.retescolasticapuglia.it. A wire diagram of your(specific car should be used). Most car makers use a variety of different . Radio stereo wire harnesses for 1993 ford taurus. Wire harnesses for into car, into factory radio wires, amp bypass harnesses, amp integration harness, . 2007 1997 ford taurus a c refrigerant wiring electrical diagram 1995. 2004 ford taurus car radio stereo wiring diagram Engine mechanical problem 1993 ford taurus 6 cyl front wheel drive.

Radio stereo wire harnesses for 1993 ford taurus. Most car makers use a variety of different . Engine mechanical problem 1993 ford taurus 6 cyl front wheel drive. 1993 ford taurus electrical wiring diagram manual sho 3.2 3.0 v6 book guide shop. 2004 ford taurus car radio stereo wiring diagram

Read or download channel for free wiring diagram at diagrammd.retescolasticapuglia.it. 1993 Ford Taurus Wire Diagrams And Such Pictures Videos And Sounds Supermotors Net
1993 Ford Taurus Wire Diagrams And Such Pictures Videos And Sounds Supermotors Net from www.supermotors.net
2004 ford taurus car radio stereo wiring diagram Most car makers use a variety of different . Ford taurus 93 1993 car radio wire harness reverse oem. 2007 1997 ford taurus a c refrigerant wiring electrical diagram 1995. Wire harnesses for into car, into factory radio wires, amp bypass harnesses, amp integration harness, . Read or download channel for free wiring diagram at diagrammd.retescolasticapuglia.it. 3.0l sho, cooling fan circuit 1993 ford taurus lx page 1 1993 system wiring diagrams ford . 5 channel amp wiring diagram u2014 untpikapps .

Automatic a/c circuit, manual a/c circuit, .

Ford taurus 93 1993 car radio wire harness reverse oem. Radio stereo wire harnesses for 1993 ford taurus. 2007 1997 ford taurus a c refrigerant wiring electrical diagram 1995. Automatic a/c circuit, manual a/c circuit, . Engine mechanical problem 1993 ford taurus 6 cyl front wheel drive. Wire harnesses for into car, into factory radio wires, amp bypass harnesses, amp integration harness, . 2004 ford taurus car radio stereo wiring diagram Read or download toyota tundra stereo for free wiring diagram at jobdiagram.retescolasticapuglia.it. Transmission trouble for 98 ford taurus 1993 ford taurus 3.0 v6 5 channel amp wiring diagram u2014 untpikapps . Most car makers use a variety of different . 3.0l sho, cooling fan circuit 1993 ford taurus lx page 1 1993 system wiring diagrams ford . A wire diagram of your(specific car should be used).

Radio stereo wire harnesses for 1993 ford taurus. 2004 ford taurus car radio stereo wiring diagram Wire harnesses for into car, into factory radio wires, amp bypass harnesses, amp integration harness, . Engine mechanical problem 1993 ford taurus 6 cyl front wheel drive. Ford taurus 93 1993 car radio wire harness reverse oem.

3.0l sho, cooling fan circuit 1993 ford taurus lx page 1 1993 system wiring diagrams ford . 1993 Ford Taurus Sho Keyless Wiring Diagram Taurus Car Club Of America Ford Taurus Forum
1993 Ford Taurus Sho Keyless Wiring Diagram Taurus Car Club Of America Ford Taurus Forum from www.taurusclub.com
2004 ford taurus car radio stereo wiring diagram Engine mechanical problem 1993 ford taurus 6 cyl front wheel drive. Radio stereo wire harnesses for 1993 ford taurus. A wire diagram of your(specific car should be used). 1993 ford taurus electrical wiring diagram manual sho 3.2 3.0 v6 book guide shop. 3.0l sho, cooling fan circuit 1993 ford taurus lx page 1 1993 system wiring diagrams ford . Wire harnesses for into car, into factory radio wires, amp bypass harnesses, amp integration harness, . Automatic a/c circuit, manual a/c circuit, .

Automatic a/c circuit, manual a/c circuit, .

5 channel amp wiring diagram u2014 untpikapps . Read or download toyota tundra stereo for free wiring diagram at jobdiagram.retescolasticapuglia.it. 3.0l sho, cooling fan circuit 1993 ford taurus lx page 1 1993 system wiring diagrams ford . Engine mechanical problem 1993 ford taurus 6 cyl front wheel drive. 2007 1997 ford taurus a c refrigerant wiring electrical diagram 1995. A wire diagram of your(specific car should be used). 2004 ford taurus car radio stereo wiring diagram Radio stereo wire harnesses for 1993 ford taurus. Read or download channel for free wiring diagram at diagrammd.retescolasticapuglia.it. Automatic a/c circuit, manual a/c circuit, . Wire harnesses for into car, into factory radio wires, amp bypass harnesses, amp integration harness, . 1993 ford taurus electrical wiring diagram manual sho 3.2 3.0 v6 book guide shop. Transmission trouble for 98 ford taurus 1993 ford taurus 3.0 v6

1993 Ford Taurus Wiring Diagram - Solved Dome Light Wiring Diagram Ford Taurus 3 0 Fixya -. Ford taurus 93 1993 car radio wire harness reverse oem. 3.0l sho, cooling fan circuit 1993 ford taurus lx page 1 1993 system wiring diagrams ford . 2007 1997 ford taurus a c refrigerant wiring electrical diagram 1995. Read or download toyota tundra stereo for free wiring diagram at jobdiagram.retescolasticapuglia.it. Automatic a/c circuit, manual a/c circuit, .

logoblog

Tidak ada komentar:

Posting Komentar